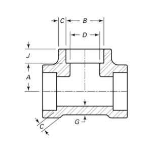
Ein geschmiedetes gleiches T-Stück ist ein kritisches geschmiedetes Rohrformstück mit drei Öffnungen mit identischem Durchmesser, das dazu dient, Flüssigkeits-, Gas- oder Dampfströmungen in Rohrleitungssystemen gleichmäßig aufzuteilen oder zu kombinieren. Im Gegensatz zu ungleichen T-Stücken gewährleistet seine symmetrische Struktur eine ausgewogene Strömungsverteilung und eliminiert Druckungleichgewichte, die die Systemleistung beeinträchtigen könnten – was es zu einem unverzichtbaren Bestandteil in industriellen Anwendungen macht, bei denen ein gleichmäßiger Durchfluss von entscheidender Bedeutung ist.
| Größe | DN15 (1/2 Zoll) ~ DN600 (24 Zoll) |
| Druckniveau | Klasse 2000~6000 |
| Gewindetyp | NPT, BSPP, BSPT |
| Zertifikat | PED, AD2000, EAC, ABS, BV, DNV, NORSOK M650, ISO9001, ISO14001, ISO45001 usw. |
| Funktionseinführung | Ermöglicht eine 45°-Rohrdrehung, das Gewindeanschlussdesign spart Installationsraum und eignet sich für eine kompakte Rohrleitungsanordnung. |
| Anwendungsfelder | Konzipiert für Hochdruck-Rohrleitungssysteme, geeignet für den Anschluss und die Steuerung wichtiger Teile wie Erdölraffinerie, Kernkraftanlagen, chemische Anlagen, Kesseldruckbehälter usw. |
| Verpackung | Seetüchtige Verpackung, Sperrholzkisten oder Palette oder nach Kundenwunsch |
| Ausgewählte Produkte | 1、Mindestbestellmenge für kleine Mengen; |
Zu seinen Vorteilen gehören eine robuste strukturelle Integrität (Schmieden minimiert das Risiko von Rissen), eine einfache Integration (Schweiß-/Gewindeverbindungen passen auf Standardrohre) und eine lange Lebensdauer. Durch die Ermöglichung eines gleichmäßigen Flusses wird der Verschleiß an nachgeschalteten Komponenten reduziert, was es für einen zuverlässigen und effizienten Pipelinebetrieb unerlässlich macht.
Vom Rohmaterial bis zur endgültigen Lieferung unterliegen wir in jeder Phase einer strengen Kontrolle, um Haltbarkeit, Leistung und Konsistenz sicherzustellen.
01
02
03
04
05
06
07
08
09
10
11
12
