Der Gewindeflansch revolutioniert die Rohrleitungskonnektivität, indem er eine sichere, schweißfreie Lösung zum Verbinden von Gewinderohren bietet und ihn zur ultimativen Wahl für Umgebungen macht, in denen Sicherheit und Anpassungsfähigkeit nicht verhandelbar sind. Dieser Flansch ist mit einem präzisen Innengewinde ausgestattet und lässt sich nahtlos in verzinkte Stahlrohre oder Systeme integrieren, in denen Schweißen verboten ist – beispielsweise in brennbaren, explosiven oder hochsensiblen Industrieumgebungen. Sein innovatives Design eliminiert die mit dem Schweißen verbundene Brandgefahr, gewährleistet die Einhaltung strenger Sicherheitsprotokolle und sorgt gleichzeitig für eine robuste, auslaufsichere Dichtung, die hohen Druckanforderungen standhält. Die Gewindeverbindung ermöglicht eine schnelle Installation und Demontage und ermöglicht Wartungsteams die Fehlerbehebung oder Aktualisierung von Systemen ohne spezielle Ausrüstung, wodurch Ausfallzeiten bei kritischen Vorgängen wie der chemischen Verarbeitung, der Öl- und Gasverteilung oder der pharmazeutischen Produktion reduziert werden.
| Größe | DN15 (1/2")-DN600 (24") |
| Druckstufe | 0,6–4,0 MPa |
| Temperaturbereich | -45℃ bis 260℃ |
| Zertifikat | PED, AD2000, EAC, ABS, BV, DNV, NORSOK M650, ISO9001, ISO14001, ISO45001 usw. |
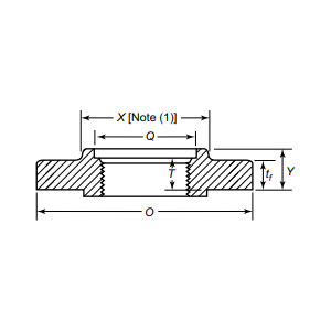
| Funktionseinführung | Der Gewindeflansch wird über ein Innenrohrgewinde mit dem Gewinderohr verbunden, sodass kein Schweißen erforderlich ist. Ideal für verzinkte Stahlrohre oder eingeschränkte Schweißumgebungen (brennbar/explosiv). Einfache Installation und flexible Wartung, besonders geeignet für legierten Stahl und andere Materialien mit schlechter Schweißbarkeit. |
| Anwendungsfelder | Anwendbar für Rohrflanschverbindungen in Öl- und Gasfernleitungen, Offshore-Plattformen, chemischen Anlagen, Wasseraufbereitungssystemen sowie in der Lebensmittel- und Pharmaindustrie, angepasst an komplexe Arbeitsbedingungen. |
| Verpackung | Seetüchtige Verpackung, Sperrholzkisten oder Palette oder nach Kundenwunsch |
| Ausgewählte Produkte | 1、Mindestbestellmenge für kleine Mengen; |
Der Gewindeflansch ist ideal für Materialien, die anfällig für Schweißprobleme sind, wie z. B. legierter Stahl. Er bewahrt die Materialintegrität und vermeidet Sprödigkeit oder Verformung durch Hitze. Seine korrosionsbeständige Konstruktion, erhältlich aus Kohlenstoffstahl oder Edelstahl, gewährleistet Langlebigkeit auch in rauen Umgebungen, von Offshore-Bohrplattformen bis hin zu Sanitärsystemen in Lebensmittelqualität. Unterstützt durch die strikte Einhaltung globaler Standards garantiert dieser Flansch Zuverlässigkeit in anspruchsvollen Anwendungen, einschließlich Hydrauliksystemen, kryogenen Rohrleitungen und der Übertragung brennbarer Flüssigkeiten. Für Branchen, die Wert auf Sicherheit, Effizienz und kostengünstige Wartung legen, ist der Gewindeflansch eine transformative Lösung. Erweitern Sie Ihre Infrastruktur noch heute mit unseren Premium-Gewindeflanschen – Innovation trifft auf kompromisslose Sicherheit und sorgt dafür, dass Ihre Systeme auch unter anspruchsvollsten Bedingungen einwandfrei funktionieren. Entscheiden Sie sich für Vertrauen, entscheiden Sie sich für Langlebigkeit und definieren Sie das Potenzial Ihrer Pipeline neu.
Vom Rohmaterial bis zur endgültigen Lieferung unterliegen wir in jeder Phase einer strengen Kontrolle, um Haltbarkeit, Leistung und Konsistenz sicherzustellen.
01
02
03
04
05
06
07
08
09
10
11
12
