Der Lap-Joint-Flansch definiert die Flexibilität in Rohrleitungssystemen neu und bietet eine dynamische Lösung für die Bewältigung von Wärmeausdehnungs- und Kontraktionsspannungen und ermöglicht gleichzeitig eine nahtlose Demontage in Niederdruckanwendungen. Durch die Kombination eines robusten Flanschrings mit einer schwenkbaren Flanschkomponente ermöglicht dieses innovative Design eine kontrollierte axiale Bewegung von Rohrleitungen und absorbiert effektiv temperaturbedingte Verschiebungen, ohne die strukturelle Integrität zu beeinträchtigen. Erhältlich in zwei Konfigurationen – Stumpfschweißring-Typ (PJ/SE) für hochpräzise Schweißverbindungen und Flachschweißring-Typ (PJ/RJ) für eine vereinfachte Installation – erfüllt es verschiedene Betriebsanforderungen und sorgt gleichzeitig für eine leckagesichere Leistung. Der aus hochwertigem Kohlenstoffstahl oder Edelstahl gefertigte Flansch widersteht Korrosion und mechanischem Verschleiß und gewährleistet Zuverlässigkeit in Branchen wie der chemischen Verarbeitung, Wasseraufbereitung und Lebensmittelproduktion, in denen häufige Wartung oder Geräteaufrüstung an der Tagesordnung sind.
| Durchmesser | DN50 (2 Zoll) - DN2000 (80 Zoll) |
| Druck | 0,6–2,5 MPa |
| Zertifikat | PED, AD2000, EAC, ABS, BV, DNV, NORSOK M650, ISO9001, ISO14001, ISO45001 usw. |
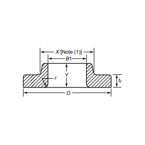
| Funktionseinführung | Ermöglicht in Kombination mit Flanschring und Bördelung eine axiale Verschiebung der Rohrleitung und reduziert die thermische Ausdehnungsspannung. Typen: Stumpfschweißring (PJ/SE) und Flachschweißring (PJ/RJ). Geeignet für Niederdruckleitungen, die häufig demontiert werden müssen. |
| Anwendungsfelder | Anwendbar für Rohrflanschverbindungen in Öl- und Gasfernleitungen, Offshore-Plattformen, chemischen Anlagen, Wasseraufbereitungssystemen sowie in der Lebensmittel- und Pharmaindustrie, angepasst an komplexe Arbeitsbedingungen. |
| Verpackung | Seetüchtige Verpackung, Sperrholzkisten oder Palette oder nach Kundenwunsch |
| Ausgewählte Produkte | 1、Mindestbestellmenge für kleine Chargen; |
Sein Drehmechanismus vereinfacht die Ausrichtung während der Montage und reduziert Arbeitskosten und Ausfallzeiten in Systemen wie hydraulischen Maschinen, HVAC-Netzwerken oder modularen Industrieaufbauten. Durch die Isolierung der Flanschbewegung von der Belastung der Rohrleitung wird die Lebensdauer von Dichtungen und Schrauben verlängert und die langfristigen Kosten für den Austausch gesenkt. Von Offshore-Plattformen, die einen thermischen Ausgleich erfordern, bis hin zu pharmazeutischen Anlagen, die sterile, leicht zu reinigende Verbindungen benötigen, gewährleistet der Lap Joint Flange die Einhaltung von ASME- und EN-Standards und passt sich gleichzeitig den sich ändernden betrieblichen Anforderungen an. Unterstützt durch strenge Tests und vielseitige Kompatibilität ermöglicht es Ingenieuren, eine belastbare, zukunftsfähige Infrastruktur zu entwerfen. Rüsten Sie Ihre Rohrleitungssysteme noch heute mit unseren Überlappungsflanschen auf – Präzisionstechnik trifft auf adaptive Festigkeit, sodass Ihr Betrieb in dynamischen Umgebungen erfolgreich sein kann. Entscheiden Sie sich für Flexibilität, entscheiden Sie sich für Ausdauer und eröffnen Sie eine neue Ära der Effizienz.
Vom Rohmaterial bis zur endgültigen Lieferung unterliegen wir in jeder Phase einer strengen Kontrolle, um Haltbarkeit, Leistung und Konsistenz sicherzustellen.
01
02
03
04
05
06
07
08
09
10
11
12
